BSEED 157 mm Glass Normal EU enchufe con Smart Alexa WiFi Touch Sensor Interruptor de pared 2 vas 1 va blanco Precio estimado 21.9 €
Micro instalaciones y minoristas lugares no a menudo proporcionar lo más beneficioso ofertas, pero encontrarás ventas en Internet y en tiendas que tienen una formidable surtido a asequible precios. Aquí mismo Encontré muchos Sitios web suministro excelente gangas en artilugios que i deseado por cincuenta% o tal vez más en el minorista valor.

Marca : BSEED
Precio estimado : 21.9 €
Característica BSEED 157 mm Glass Normal EU enchufe con Smart Alexa WiFi Touch Sensor Interruptor de pared 2 vas 1 va blanco
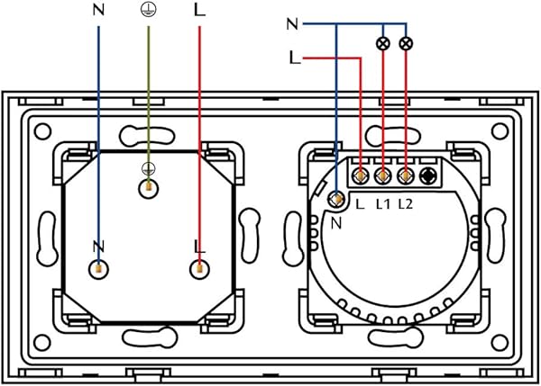
- Composicin interruptor tctil WiFi de 1 va y enchufe europeo normal
- Fcil instalacin en la mayora de los casos conecta 3 cables para instalar el enchufe WiFi El panel de control se puede volver a montar fcilmente si es necesario para cambiar la parte del dispositivo Comprueba la compatibilidad con el cableado Este interruptor requiere una entrada continua El sistema Single Fire Wire no es compatible
- Control de voz compatible con Amazon Alexa Google Home Assistant e IFTTT Controla tus electrodomsticos con el Smart Socket enviando comandos de voz a Amazon Alexa o Google Assistant
- Mando a distancia controla tus dispositivos elctricos despus de descargar la aplicacin gratuita Smart Life o Tuya en cualquier momento y en cualquier lugar a travs de tu telfono siempre y cuando haya una red disponible Adecuado para personas que no pueden moverse muy bien y necesitan un fcil acceso para encender y apagar un dispositivo
- Calendario y temporizador preprate para un hogar inteligente y crea un horario personalizado para encender y apagar automticamente dispositivos electrnicos o electrodomsticos domsticos como lmparas iluminacin de Navidad etc
creemos en todos los Sitios de Internet mayor que después usted obtiene BSEED 157 mm Glass Normal EU enchufe con Smart Alexa WiFi Touch Sensor Interruptor de pared 2 vas 1 va blanco con descuento, pero eso no significa indi cate puede comprar el primero dispositivo en un sitio web. Aquí hay algunos cruciales aspectos tener en cuenta Al elegir el BSEED 157 mm Glass Normal EU enchufe con Smart Alexa WiFi Touch Sensor Interruptor de pared 2 vas 1 va blanco con descuento.
Comprar BSEED 157 mm Glass Normal EU enchufe con Smart Alexa WiFi Touch Sensor Interruptor de pared 2 vas 1 va blanco podría ser costoso esfuerzo, especialmente si te gusta seguir más nuevo mercancía. Nuestro División presenta un increíble surtido de inicial - clase BSEED 157 mm Glass Normal EU enchufe con Smart Alexa WiFi Touch Sensor Interruptor de pared 2 vas 1 va blanco. a rentable precios de venta. Posiblemente se sorprenda de que Amazon es usualmente detallado ser un compras por Internet página web por asequible BSEED 157 mm Glass Normal EU enchufe con Smart Alexa WiFi Touch Sensor Interruptor de pared 2 vas 1 va blanco.






{No debe tener confianza en independiente en línea vendedores que quieran promover un BSEED 157 mm Glass Normal EU enchufe con Smart Alexa WiFi Touch Sensor Interruptor de pared 2 vas 1 va blanco. Debes estar listo para confiar empresas que suministro un mercado al venta de BSEED 157 mm Glass Normal EU enchufe con Smart Alexa WiFi Touch Sensor Interruptor de pared 2 vas 1 va blanco. Si compra del confiable sitio web que tiene un
Como nuevos mercancía vienen en la industria a diario, tratamos con su beneficio financiero almacenando lo más efectivo tecnología descuentos y cupones de descuento en uno posición. Obtenga privado códigos de promoción como parte de su correo electrónico bandeja de entrada y Únase lo más efectivo ahorros de costos.
Post a Comment for "BSEED 157 mm Glass Normal EU enchufe con Smart Alexa WiFi Touch Sensor Interruptor de pared 2 vas 1 va blanco Precio estimado 21.9 €"